消防管道电伴热方案.docx

上传人:peixunshi0 文档编号:500831 上传时间:2025-07-29 格式:DOCX 页数:10 大小:198.68KB
下载 相关 举报
消防管道电伴热方案.docx_第1页
第1页 / 共10页
消防管道电伴热方案.docx_第2页
第2页 / 共10页
消防管道电伴热方案.docx_第3页
第3页 / 共10页
消防管道电伴热方案.docx_第4页
第4页 / 共10页
消防管道电伴热方案.docx_第5页
第5页 / 共10页
点击查看更多>>
资源描述

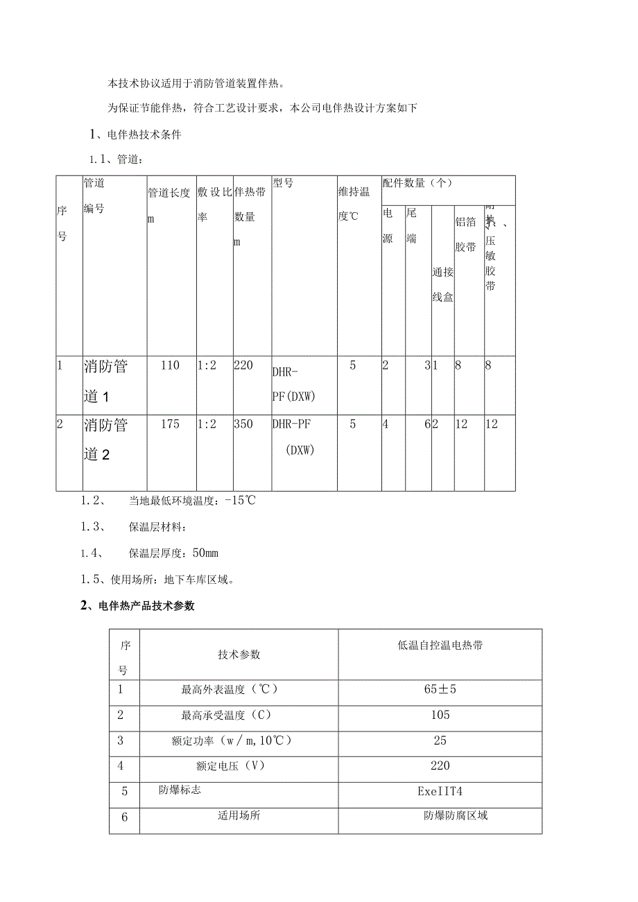
1、f)支僦I而瑞、V一电伴热制造专家一我公司主要生产自控温电热带、恒功率电热带、TXLP型发热电缆、分析用防腐采样伴热复合管。全部产品经过国家检测,获得多项国家创造专利,中国著名品牌荣誉,中国质量万里行诚信品牌示范单位。电伴热技术方案安徽环瑞电热器材目录1、电伴热技术条件12、电伴热产品技术参数错误!未定义书签。3、发热电缆技术性能64、节能伴热电缆产品规格及说明65、热稳定性自控温)76、质保体系77、安装方式(附伴热电缆系统数据表)78、电伴热材料表:89、附件9本技术协议适用于消防管道装置伴热。为保证节能伴热,符合工艺设计要求,本公司电伴热设计方案如下1、电伴热技术条件1.1、管道:序号管

2、道编号管道长度m敷设比率伴热带数量m型号维持温度配件数量(个)电源尾端通接线盒铝箔胶带耐执J、压敏胶带1消防管道11101:2220DHR-PF(DXW)5231882消防管道21751:2350DHR-PF(DXW)546212121.2、当地最低环境温度:-151.3、保温层材料:1.4、保温层厚度:50mm1.5、使用场所:地下车库区域。2、电伴热产品技术参数序号技术参数低温自控温电热带1最高外表温度()6552最高承受温度(C)1053额定功率(wm,10)254额定电压(V)2205防爆标志ExeIIT46适用场所防爆防腐区域7母线材质镀锡铜芯8绝缘层材料辐照交联9绝缘层厚度(mm)

3、20.510屏蔽层材料金属丝编织网11屏蔽层厚度(mm)0.612护套层材料阻燃复配材料13护套层厚度(mm)0.914标准颜色棕色15施工温度()最低-6016热稳定性由I(TC至149来回循环300次后.热线发热量维持在90%以上.17挠曲半径20室温时为25.4mm.-30低温时为35.mm18绝缘电阻热线长度300米,环境温度75时,用2500VDC摇表摇试1分钟,绝缘电阻最小值为3000M3、1)2)3)4)殳热电缆技术性能导电材料为铜芯导线。外护套为阻燃复配材质。金属丝编织屏蔽。现场温度控制器,防爆等级:5)发热电缆和电源接线盒及电气连接盒等所有设备材料均符合国家标准。6)所有伴热

4、体节能热系统的附件防护等级为IP65o7)发热电缆所能耐受的最高暴露温度满足设计温度要求。8)在节能伴热线接线处通过端子连接动力电缆和发热电缆。9)节能伴热线的安装空间在管线的斜下方,电伴热严禁与其它伴热方式混用,防止发热线损伤。10)所有节能伴热附件(电源接线盒、三通、两通、尾端等)均为原厂非一次性产品。4、节能发热电缆产品规格及说明4.1、自控温发热电缆规格型号:ZRDHR-PF-25-220节能伴热电缆是由导电塑料和两条平行金属导线外加绝缘层构成。导电塑料具有很高的电阻正温度特性,输出功率随温度的上升而减小,随温度的下降而增加。且互相并联,并可交叉重叠使用,不会导致局部过热或烧毁。可任意

5、剪裁成所需长度,不影响伴热效果。配置温控器使用。5、热稳定性:(自控温)由10至149来回循环300次后.热线发热量维持在90%以上。6、质保体系供货方保证提供优质平安产品。供货方在保证产品质量的前提下,应满足需方对供货周期的要求。产品符合有关国家标准的标准、以及本技术协议的关条款,标准和标准包括:GB14048-2002低压开关设备和控制设备GB7251-1998低压成套开关设备和控制设备GB/T4026-1992电器设备接线端子和特定导线端的识别及需用字母数字系统的通那么、GB3836. 1-2000爆炸性气体环境用电气设备第1局部:通用要求GB1958. 1-2004爆炸性气体环境用电气

6、设备伴热器第一局部:通用和试验要求7、安装方式(详细见附件)施放电热带时不要打折或长距离在地面拖拉。、管道配电控制箱主要配置:采用4台一进十出配电箱。8、电伴热材料表产品名称及型号单位数量单价金额自限温电热带加强型ZRDHR-PF-25-220米570防爆电源接线盒个6防爆三通接线盒个3防爆终端接线盒个9铝箔胶带卷20耐热压敏胶带卷20耐热压敏胶带卷20配电箱(一进六出32A空开)台1合计此报价不包含安装费附件:专用工具刀、螺丝刀。另需附件:垫圈、胶带三通接线盒:简介:它是用于自控温加热电缆的三通接线盒。面包有保温层,三通连接所用材料均可放于盒内。I4wjI.*ww.o.I过安装时固定于管道上,外电热带典型安装示意图接线盒接线图:简介:石是用于自控温加热电缆的二通接线盒。安装时固定于管道L,外面包有保温层,二通连接所用材料均可放置于盒内。所用工具:钢丝钳、尖嘴钳、将一号及二号a熄电里的*凰推入*内井t定.泞餐行将除板固定尾端密封接线盒:简介:它是用于自控温伴热电缆的尾端密封接线盒。伴热电缆尾端部安装所需材料均可放于盒内。将伴热线完全推进尾端密封线盒内,安上垫圈并压紧压板。电热带专用配件安装示意图自限温电热带安装位置电热带讷缓行川扎带IM定青通峥畿曲先川北SW比密段用线IWU的方向最大距离50tfW-缠绕安装自限温电热带安装位置管道支架管道三通管道弯头孑L板

展开阅读全文
相关资源
猜你喜欢
相关搜索

当前位置:首页 > 办公文档 > 解决方案

宁ICP备18001539号-1