水上舞台设备采购及安装工程施工组织方案30页.docx

上传人:极速器 文档编号:594695 上传时间:2025-09-01 格式:DOCX 页数:28 大小:76.37KB
下载 相关 举报
水上舞台设备采购及安装工程施工组织方案30页.docx_第1页
第1页 / 共28页
水上舞台设备采购及安装工程施工组织方案30页.docx_第2页
第2页 / 共28页
水上舞台设备采购及安装工程施工组织方案30页.docx_第3页
第3页 / 共28页
水上舞台设备采购及安装工程施工组织方案30页.docx_第4页
第4页 / 共28页
水上舞台设备采购及安装工程施工组织方案30页.docx_第5页
第5页 / 共28页
点击查看更多>>
资源描述

1、施工组织方案XX镇体育公园水上舞台设备采购及安装工程施工过程遵守的规范及要求:X剧场建筑设计规范派舞台机械台上设备安全派舞台机械台验收检测程序X机械设备安装工程施工及验收通用规范X机械安全、急停设计原则X建筑设计防火规范X民用建筑电气设计规范X电气装置安装工程电气设备交接试验设备X电气装置安装工程电缆线路施工及验收规范X电气装置安装工程旋转电机施工及验收规范X电气装置安装工程盘、柜及二次回路接线施工及验收规范X电气装置安装工程低压电器施工及验收规范X建筑电气工程施工质量验收规范X信息技术设备的无线电扰限值和测量方法X钢结构设计规范X钢结构工程施工质量验收规范1、施工人员部署(1) 公司组织部署

2、我公司在组织实施中把XX镇体育公园舞台设备采购及安装工程列为我公司创优重点工程。并作为我公司的重要形象工程,无论在组织上、思想上、物质上、人员配备上都高度重视。公司将专门为水上舞台工程成立“工程领导小组”,由公司副总经理任项目负责人。定期不定期召开会议,参加工程协调,在公司范围内对管理人员、劳动力、机械设备、周转材料优先满足平XX镇体育公园舞台工程的施工需要。(2) 工程项目施工管理人员部署水上舞台工程列为我公司重点工程,严格按照项目法组织施工,执行全面责任承包制。该工程项目人员配置所有职能人员,确保整个工程在施工过程中的连续性从而实现全面管理、全面控制,为创造工程的高质量、高速度提供条件。(

3、3) 工程项目劳务人员组织部署施工劳务人员工程施工的直接操作者,也是工程质量、安全和施工的保证者。为确保工程计划顺利进行施工,在工程人员组织时,我们将安排有良好质量观念、安全意识、技术素质较高的有类似工程经验的工人进场施工。进场前经培训考核合格后上岗。主要劳动力投入计划:劳动力投入计划工种人数进场时间退场时间管理、技术人员2开工竣工电焊工3开工竣工电工2电气布线后进场竣工电气施工人员2开工后陆续进场竣工保管员、资料员1开工开始竣工安全员1开工开始竣工公司总经理:根据总体设计方案确定现场施工班子,组织现场项目经理、材料员、现场工程师、现场质量管理员、检验工程师和现场安全员仔细消化设计方案,充分了

4、解业主的技术功能要求和特殊要求,全面掌握施工规范和标准,明确各方具体职责,对施工细节和施工进度作出详尽安排,并配合公司财务部严格控制工程投资施工预算。在施工过程中协调项目业务人员,设计人员同施工现场保持联系,对施工过程实施全面指挥,并将施工中的重要信息通报公司领导。工程部经理:科学严密地组织调配施工人员,严格按图、按质施工,负责现场所需设备材料的加工和准备,特别注重施工安全和施工质量的管理现场项目经理:直接负责现场施工管理,对现场施工技术、安全、质量负责,在施工现场负责与甲方代表洽商有关事宜,并保持与总包项目经理联系,随时汇报工程进度,以便总包项目经理对施工项目实施管理。现场工程师:负责现场的

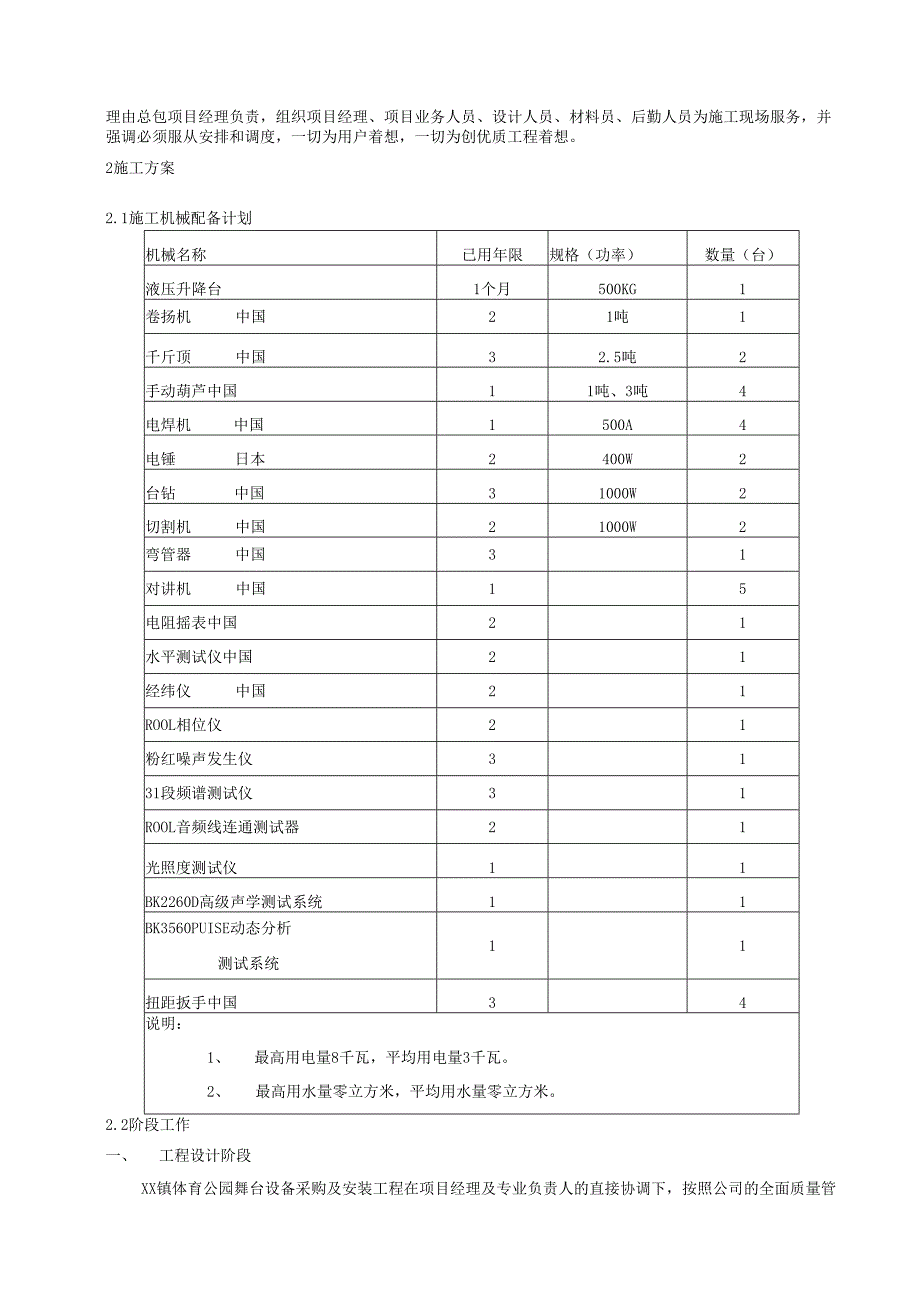
5、技术指导和设备的安装调试,把握施工的质量;及时反馈技术方面有关信息。现场质量管理和检验工程师:全面贯彻IS09001质量保证体系,深入了解和掌握该工程的技术规范和相关标准,专门负责现场施工、安装、调试各工序、各步骤的严格质量检验,竣工前的预检和最终的竣工验收。现场材料员:对现场材料实施保管,按规定存放和发放,做好施工现场的各项统计工作。严格按照工程预算,科学合理使用工程设备和工程材料。项目业务人员:随时保持与甲方联系,与甲方洽商有关工程业务上的问题。施工组织管理由总包项目经理负责,组织项目经理、项目业务人员、设计人员、材料员、后勤人员为施工现场服务,并强调必须服从安排和调度,一切为用户着想,一

6、切为创优质工程着想。2施工方案2.1施工机械配备计划机械名称已用年限规格(功率)数量(台)液压升降台1个月500KG1卷扬机中国21吨1千斤顶中国32.5吨2手动葫芦中国11吨、3吨4电焊机中国1500A4电锤日本2400W2台钻中国31000W2切割机中国21000W2弯管器中国31对讲机中国15电阻摇表中国21水平测试仪中国21经纬仪中国21ROOL相位仪21粉红噪声发生仪3131段频谱测试仪31ROOL音频线连通测试器21光照度测试仪11BK2260D高级声学测试系统11BK3560PUISE动态分析测试系统11扭距扳手中国34说明:1、 最高用电量8千瓦,平均用电量3千瓦。2、 最高用

7、水量零立方米,平均用水量零立方米。2.2阶段工作一、工程设计阶段XX镇体育公园舞台设备采购及安装工程在项目经理及专业负责人的直接协调下,按照公司的全面质量管理的相关程序运作,由公司的技术部门直接负责实施。二、管线、设备加工、订货阶段该阶段在项目经理及专业负责人的直接协调下,由公司相关专业技术人员直接技术指导,并指派专人长期住加工地负责技术解释,按照加工地自己的管理体系运作,由加工地的质量检验及技术部门直接负责实施。三、安装、调试、验收阶段该阶段在项目正、副经理及专业负责人的直接指挥下,工程技术及工厂技术人员根据需要,来现场直接为设备安装提供技术支持。同时,为方便于现场工作的顺利进行,设机械设备

8、的电气自动控制安装经理。1、安装阶段(1)严格按照安装计划进行安装,确保系统在进场20天后验收通过并移交甲方。(2)安装工程劳动力需用量计划名称数量说明项目负责人2工程师后勤管理员1现场技术负责人1工程师电工班长1技术员焊工班长1技术员质检员1有证材料员1有证电工2有证电焊工2有证安全员1有证(3)部分小型机具计划名称单位数量电焊机台4压力钳台1气焊工具套1手枪钻把3砂轮锯把1(4)主要施工方法A、管路敷设D根据图纸加工好的各种盒、箱弯管。切割使用钢锯、无齿锯进行,断口处平齐,管口管内铁屑除净。2)盒开孔应整齐并同管径相吻合。3)路连接宜采用套管,套管长度为连接管径的2.2倍,连接管口处应在套

9、管中心。4)弯管、支架、吊架预加工,支架固定距离应均匀。B、箱、盒安装D箱、盒安装时应垂直与墙面平齐,垂直偏差不应大于3MM,进线箱要排列整齐,导线连接正确牢固且要有适当余量。2)内穿线不同回路、不同电压和交流与直流的导线,不得穿入同一根管子内。导线在管内不得有接头和扭线路,导线穿入管子后,在导线出口处,应装护套,来保护导线。3)电缆敷设前,应仔细检查电缆是否有机械损伤,并进行绝缘摇测。2、测试和运行阶段调试是对设备的主要参数及控制系统的功能进行的,以证明其符合合同规定的功能的一系列检测和试验,并提供测试报告。测试报告包括设备和系统的测试方法、步骤、使用仪器、进行状态、测试数据及存在缺陷等项目

10、1)单项设备测试根据标书内容和国家有关规范,测试本项目设备的主要项目各项设备的主要参数为载荷、速度、定位精度、噪声、安全设施等,其中载荷试验包括额定载荷和超载载荷试验。1)、动载荷试验-加载试验,需沙袋一批。2)、静载荷试验-加载保持一定时间,测量变形量,肉眼可以观察测量,仪器工具卷尺。3)、速度测量-仪器或通过计算。4)、定位精度-仪器或通过计算。5)、噪声分贝仪测试仪器一览表名称数量(台)计算机1示波器1测速仪1测距仪1加速度仪1噪声仪1其他检测仪器仪表若干数量较多的相同设备(如吊杆),可以任意抽查数量为总数四分之一的设备。有不合格时,加倍试验;再有不合格时,全部试验。(2)组合试验按

11、本技术规范与要求所述的各种设备运转状态及其组合进行试验以核定其运行精度、同步精度及控制系统的功能。(3)控制操作系统测试按控制操作系统的各种功能,如手动、自动、预置、修改、编程、显示、备用、各种保护等逐项进行试验。(4)噪声测试噪声测试分单项设备运转噪声和组成设备运转噪声两类。噪声测试可与设备试验同时进行,当设备试验不能安排噪声测试时,单独进行噪声测试。(5)测试缺陷如果在测试中发现制造、安装或设备本身没有严格按照规范和合同要求,我方提供包含矫正措施在内的“缺陷清单”,以确保按“缺陷清单”所列设备的制造、安装和组装能按期完成。(6)不合格与再次检测对达不到技术规格的设备进行修理或更换合适的设备

12、按上述同等的条件和内容进行再次检测。提出修复、改进和更换方法的计划和措施,并经业主、监理单位同意,由我方执行并付出由此产生的一切费用。(7)部分完工在竣工之日基本安装完毕并能使用运转的设备,如果由于我方的原因,尚未完全完工,没有进行试验或没有被检验通过的设备,我方将按照业主的要求和提示,提供人员及其费用继续工作,直到设备完整和满意为止。必要时,业主可以使用这些可以运转和可安全操作的部分完工的设备。3、考核试验阶段(1) 考核试验准备与条件A、考核试验的准备考核试验的程序、方法、使用工具和仪器、考核标准及根据工程总体进度要求提出的考核试验工作计划我方考核验收前2天提交业主审查认可。B、考核试验

13、资料考核试验前,我方提供以下资料:设备所用的各种材料的试验报告和出厂合格证书X标准机电产品的试验报告或出厂合格证书钢丝绳及其附件、链条、高强度螺栓等和其他全部类似的悬挂部件的试验报告或出厂合格证书X装配质量合格报告供电临时供电和临时线路仅用于一些装置和部件进行的预先试验,永久性电源供电布线完毕后方可最终试验。C、工具和仪器我方提供所有现场考核试验用的工具和仪器。(2) 外观检查外观检查主要是目测检查,其内容是设备自有的规格与状态,重点是机构装置、制动器、安全装置、钢丝绳缠绕系统、控制系统等。外观检查主要内容有:D安全位置正确,数量齐全2)所有装置安装牢固3)所有结构无变形或损伤4)控制操作台布

14、线整齐美观5)涂漆色泽均匀,无漏刷,无裂纹脱落6)电气设备、电缆、导线等接头牢固,标记准确3、施工目标3. 1施工质量目标该工程达到优良等级标准,1)三优一一优秀方案设计、优秀施工图设计、优秀工程(安装、调试)。2)单位设备优良率为95%以上3)工程一次交验合格率100%3.2工程质量保证措施工程质量的保证必须从技术质量管理、材料、设备供应制作、日常检验和最终调试等入手。3.2.1确保质量管理措施1、严格按国家有关施工和验收规范、规程及施工图纸、会审纪要组织施工。对施工全过程的质量控制按照国家GB/T1900-IS9000标准和本企业质量手册及相关的程序文件进行施工管理。(1) 施工项目质量控

15、制的原则:加强自检、互检和质量检验工程师监督检验,在施工过程中发现问题及时解决问题,不留隐患。(2) 施工质量保证体系(3) 质量管理保证体系A.IS09001质量保证体系。B.总工程师、质检部、现场质量检验员、设计员和设计院单位五级质量把关及管理的组织机构和图纸会审机制,把错误和隐患首先消灭在图纸上。C.质量管理检验工程师全权实施现场工程施工的质量监督和检验。2、 工程施工前必须认真阅读施工图纸,充分领会施工意图,制定施工方案、技术措施、质量保证措施、成品保护措施等,并充分作好层层技术交底。3、 建立和健全各级岗位责任制,质量保护措施,建立质量保护制度,落实专人负责管理。4、 为了确保创优目

16、标的顺利实现,工程自进场日起,将对全体管理人员和各工种班组及全体操作人员,进行质量目标宣传和教育工作。开展质量管理小组活动,在现场管理部门和生产班组普遍建立QC小组,通过质量管理目标选择、质量缺陷调查分析、质量提高措施的制定和实施,进行P.D.C.A循环,通过改善工作质量,不断提高工程质量。5、 建立工程质量保证体系,落实各级人员的质量责任制,形成一个有责任明确、任务到人、互相协作和互相促进的质量管理有机整体。从管理班子到操作者,做到定员、定岗、定责。每个施工阶段对完成的质量情况进行跟踪考核,实行奖惩。6、 牢固树立质量第一的宗旨,做到以防为主,防、治结合的方法,工程施工前先做样板,执行以点带

17、面。同时对不符合质量要求的部位返工重做不留隐患。7、 在狠抓施工总质量的同时,狠抓材料的质量,各类材料必须符合设计和规范要求,不合格的材料严禁进入施工现场。8、 根据工程进展及时收集和整理好各类技术资料,确保技术资料的正确、及时、齐全、有效性。3. 2.2确保施工质量措施1、工程施工前必须认真阅读施工图纸,充分领会施工意图,并做好层层技术交底。2、确定施工方案、施工工艺,指定操作规程,并执行专项专人负责施工。3、建立和健全,各级岗位责任制和各项奖优罚劣制度;明确职责,执行挂牌施工。4、工程施工前,严格按图纸进行放样弹线,并按规定进行技术复核。如出现设计尺寸与现场实际尺寸有出入时,必须向设计和建

18、设单位汇报,不得随意变动。5、严格工程质量检查制度,做到操作人员自查、班组互查和专职质量员核查的三级质量监督网落。填好自检记录表,质量检查员对各班组施工质量进行全面检查,对不符合要求的情况,发出返修通知书责令及时返修;下道工序作业者对上道工序施工情况进行检查。避免不合格产品混入。6、对检查中发现存在的质量问题,必须及时整改,对无法整改的工程部位必须返工从做,决不留隐患。7、遇到实际情况与施工图有出入时,及时与设计单位取得联系,得到设计单位的书面变更通知单后才可进行该部分施工要,杜绝盲目性,随意性施工。8、隐蔽工程检查(1)隐蔽工程检查由业主,监理,及我公司专业技术人员会同施工人员共同参加。(1

19、)检查内容包括:管道规格、材质、数量、标高、坡度、试压、防腐、焊接坡口、焊条品种、焊接质量、暗埋电气线路的位置、规格、标高、接头是否符合规范穿管等。9、系统调试的质量控制(O各有关专业技术人员应对投入试运行的设备进行综合性检查,将问题暴露在试运行前,以便采取相应措施保证试运行质量。单机试运行时应严格监视设备运行情况,直至判定合格。(2)将各单机并网实施联动试运行,各有关专业技术人员应严密监视联动试运行情况。(2)经试运行的工程系统应根据设计要求进行各项功能测试,其测试结果应符合国家标准。(3)工程系统应连续运行6小时无故障。(4)经试运行及功能检测,均能达到国家要求的,方可出具调试报告,调试报

20、告须经建设单位确认签字。10、竣工验收(1)通过竣工验收(预验和正式验收),全面综合考察工程质量,保证交工项目符合设计标准规范等规定的质量标准要求。(2)据规范要求,整理完整的档案资料。11、收尾工作及工程的维护保养(1)向业主,监理单位递交退场申请。(2)有组织,有纪律地拆除各临时设施,清运垃圾及杂物。(3)认真做好各系统的培训,维护保养工作。3.2.3确保材料和设备质量措施1、材料和设备的质量好坏直接与工程质量好环相关,在正个施工过程中必须严格把好材料和设备质量关。2、材料和设备采购,必须严格按照设计或建设单位指定的品牌、型号、规格和质量要求选购。3、重要材料采购前,必须先送样品经设计或建

21、设单位确认后,方可采购。4、材料和设备采购后,必须严格把好材料运输关。避免在运输途中损坏材料。5、材料和设备进场时,必须严格把好材料验收关。对各类进场的材料必须按照样品,验收其品牌、型号、规格、色泽、质量和数量。6、材料和设备进场后,必须在指定的场地内堆放,对主要材料和设备须统一存放在指定的仓库内妥善保管;对易燃物品必须单独存放在符合消防要求的仓库内,并由专人负责管理。7、材料和设备领用时,必须用多少领多少,对多于的材料和设备必须及时进仓存放保管,避免损坏材料和设备影响质量或造成浪费。8、设备,材料,配件,成品,半成品构件等的质量控制。(O所依据的技术规范、标准。(2)特殊要求的说明。(3)质

22、量标记及质量检验项目、内容及签章。(4)质量证明书或产品合格证及其有关质量保证的文件。(5)必须有第三方质量监督签证的产品。(6)质量信息传递途径及方法、解决办法等。9、出现不合格品的控制。(1)在施工及管理过程中,任何人发现不合格,均应向质量员报告。(2)质量员,项目部发现不合格,应及时填写不合格报告书。(3)质量员、项目部接到不合格报告书后,应即派人核查。(4)专业技术人员及时对发现的不合格品进行评审,确定能否继续使用或是返修、返工、降级直至报废,对不合格项确定其偏离质量要求,对工程质量造成影响的程度,以决定采取何种措施,直至全部拆除重新返工。10、确保产品保护措施(1)材料和设备质量保护

23、措施用于XX镇体育公园舞台设备采购及安装工程的材料,在运输前必须按规定对材料进包装,装卸时要轻装、轻卸,装车后要捆绑牢固。避免材料在运输过程中损伤材料,影响材料的质量。材料、物资管理措施工程的材料质量必须符合规定的要求,满足工程的需要,项目部控制对材料的供应、保管、发放等环节1、材料的采购控制(1)选择合格的供应商对初选供应商的供货能力及供货质量进行评价,评价内容包括供应商资质、供货能力、产品质量、价格、信誉等。确定合格供应商,由物资采购部会同工程技术部对供应商资格进行核验,核验合格后,经主管经理审批,确定为合格供应商。(2)材料、设备的采购材料、设备需用计划的编制:专业工程师编制工程材料计划

24、经项目经理审批后,报物质采购部。材料计划中注明材料名称、规格型号、单位、数量、技术要求。设备、材料的搬运控制设备运输前,必须进行合格包装,以保证运输途中的防潮、防湿、防雨、防震、防锈等一般性的要求。避免在恶劣条件下发生意外损坏。设备起运前,制造厂(代理供应商)应对所运输的设备、材料的型号、规格、性能、数量、质量做出准确而详尽的说明,并出具货物与本供应合同规定相符的说明书,并就确切的到货时间、地点、数量、装载工具及其代号或班次、提货号,陆路运输公司承担运输货号,提供给收货人发票号、发票价值、装船提单或收据发票及装箱单及质量证明书。设备到达后,将设备卸于指定的专用场地,保护好,并派专人看管。设备

25、到场后,要将设备、材料按国家规定或业主要求进行开箱验收。首选应向业主或监理提出申请,并提供有关型号、规格、质量、性能等一系列技术文件,由业主或监理派人进行开箱,并在开箱报告上签字确认。(4)材料设备的入库验收控制材料入库时的验证材料入库时验证内容有:a观质量及规格型号是否符合要求:b质标记和数量,产品质量证明文件的符合性c.供应商及厂家是否为合格的供应商;d.材料的验证可请有关技术人员配合。产品质量证明书由计划员对照国家标准进行验证,验证合格后的原始质量证明书由材料负责人审核,计划员编号登记、存档、管理。验证发现质量证明文件内容有缺项或不合格项时,材料负责人应对该材料进行复验,经检验判定为不合

26、格品时,按不合格品的控制程序处理。乙供检验合格后,采购员及时办理入库手续。检验合格的物资在材料卡片上做绿色标识。(5)进货复检使用前必须经过复检检验的材料,按规定进行复检,材料负责人会同有关部门负责复检。所有复检物资应做好记录。(6)材料、设备储存程序材料、设备储存是根据库存材料、设备的性能和特点,结合仓储条件进行合理储存。基本要满足保质、保量、保安全。依据仓储场地实际情况及材料设备的性能和特点,设定好室内库与室外库,对应储存的材料设备作全面、合理的具体安排,实行分区分类,货位编号、定位放、定位管理,储存规划的原则。搞好仓库卫生及库区环境卫生,加强安全工作,搞好消防管理,加强电源管理,搞好保卫

27、工作,确保仓库安全。(7)材料设备的发放控制程序材料、设备出库必须做到及时、准确、节约。保管员按限额领料单发放物资,并认真核对发放物资的名称、规格、型号、数量、检验状态、外面质量,领用人和保管员及有关负责人签字无误后,办理出库,并及时下帐。物资出库时的材料合格证、材料质保书及有关质证明文件,要妥善保管、以备查用。(8)公司物资采购人员工作职责负责公司物料的采购与联系:严格执行公司制定的规章制度和供应采购岗位规范和办法,熟悉计划等与工作相关的操作规则,掌握各类器材的技术条件、性能指标、工程应用的标准和主要器材的系统配置要求;严把价格关和进货渠道关,对公司负全责。整个采供过程正规、合法、合理和高效

28、响应快速;按计划同步同额采购、订货,订货合同规范、无差错,订货及时。随时掌握货价状态,争取适时下调进货价格。取得正规合法并与结算对口的发票;与供应商保持良好的合作关系,每月提交一份货源变化及价格形势分析报告;支付货款把握有理、有利、适度和据实的基本原则,严格执行货到验收合格后付款制度;特例、急事按“先外后内、先大后小”的原则予以判断和操作,把握重点和合理程度,事后及时补齐相关手续并汇报;不断摸索采供规律,取得实际操作经验,勤于记录,分析跟踪流通量,及时提出合理建议,以利计划、质检和仓库等平行岗位的工作,向公司提供一定的运营依据;提货及时,做到货单到手后三天内提完货物;保证本职工作机密不外泄,

29、对公司负责,对岗位和职能负责,不图私利,坚持原则,节省开支、降低消耗;负责公司维修器材的收发及催寻,力求以最低的成本与最快的速度做好器材的返修工作。维修器材在三天内必须移出维修,做到进货器材维修不超过一个月;外地进货器材维修不超过三个月,超期要向主管提出处理意见;注意经手器材与款项的安全,做到不混乱、不遗失;所经物品或款项若有遗失或人为损坏,均照价赔偿,并追究相应事故责任。(9)公司仓库管理制度仓库管理范围:工程器材、线及辅件、机柜等;入库:仓库人员应点清物品数量,在收料单上注明实收数量后入库,并须检查入库单上其他各栏目填写是否正确;领用:计划内的器材、机柜、线及辅件凭项目经理签字的领料单发料

30、仓库管理员应及时统计、登记分类、填好明细帐。货品的放置应注意防火、防潮、防霉、防压,尽量做到整齐、方便、有条理。仓库人员离开仓库应随时锁门,下班前应仔细检查门窗、水电。仓库重地,闲人免进。(10)公司仓库人员工作职责按照仓库管理制度完成本职工作。严格执行公司制定的规章制度和仓库管理的规定和办法,掌握各类器材的品牌、性能、价值和用途、依法理库。仓储管理准确无误差。重视验收和核对。凡进库物料必须做到全部验收,并对质量、数量、品种、规格型号予以全面核对。物单相符、帐卡一致、帐物一致。照章办事、坚持原则、文明管理、不讲情面、不图私利。做到案头工作日日清,记录详细、系统。做好计划的帮手,提高工作效率。

31、合理调节库存,避免不必要的损失和消耗。库房清洁、整齐、堆放有序。虚心学习、严格要求,提高工作质量。负责仓库的消防、防盗落实工作,清除隐患,管好用好防盗、消防设备,经手物品严防差错与失窃。经手物品若有遗失或人为损坏,应照价赔偿,并追究相应事故责任。(11)质量检查措施我方将按IS02000质量管理体系进行施工安装和服务,以保证质量目标的实现。质量监督和检查、检验和试验以国家现行的规程、规范及文件为依据。遵照经会审签证的施工图纸和设计文件;批准签证的设计变更;设备制造厂家提供的图纸和技术文件;建设单位与我方、设备材料供货商签订的合同文件中有关质量的条款;建设单位与监理单位签订的合同文件及相关监理文

32、件。工程开始前,我方将根据本工程的特点,拟出适用于本工程质量验收的评定项目、性质等内容的施工质量检验项目,提请建设单位及监理单位审核、批准;并严格按此表进行规定的施工。验收由监理单位和(或)建设单位进行验收评定。我方将根据质量责任制制定质量奖惩制度,对质量事故严肃处理,坚持三不放过:事故原因不明不放过,不分清责任不放过,没有改进、预防措施不放过。我方将严格杜绝因我方引起的质量事故。若现场发生一般质量事故,我方将在3天内将事故详细情况书面报告监理单位和建设单位。若现场发生重大质量事故,我方将以最快方式通知监理单位和建设单位,并将事故详细情况书面报告监理单位和建设单位。(12)文件和资料管理措施施

33、工技术记录本工程开工前我方确定施工技术记录的编制范围、数量、深度、类型等。在工程施工过程中,可按工程的特点和建设单位或监理单位的要求再予以增加、补充和调整。施工技术记录的形成与施工进展同步,并且是对施工过程的真实记载。现场质量检验、试验的原始资料真实、准确、无追记,接受上级质监部门和建设单位或监理单位的检查。所有施工技术记录清晰、完整、可追溯。所有施工技术记录均妥善保存并备各目录索引,随时可供追溯。所有施工技术记录都将分类输入计算机。如施工中建设单位及监理单位需要查询,将随时提供。竣工资料竣工资料的编制、内容、规格、装订按技术规范执行。竣工资料的管理从本工程中标后就加强控制,确保竣工资料的真实

34、性、正确性、有效性。在工程竣工验收前移交竣工资料给总承包单位汇总。竣工资料的载体为书面文件和计算机光盘。四、安全施工措施(一)基本要求根据XX镇体育公园舞台设备采购及安装工程安装内容和施工特点,安全施工、文明施工尤其重要,为保证施工期间不发生事故,必须严格执行有关的施工现场安全制度和规定。1 .临时施工用电的配置必须符合施工现场临时用电安全技术规范GJGJ46的要求,必须选用带过载保护开关和带漏电保护开关的配电箱,现场用电的电线、电缆要架空安装,使用时不能随处拉接,以保证用电安全。2 .在施工现场配置手提灭火器、对焊接、气割现场,在作业前认真清理易燃什物,作业后检查火种是否完全熄灭,并清理好施

35、工场地。作业现场不得有易燃物品存放。3 .设若干施工告示牌,以提醒各施工人员注意安全,进入施工现场必须带安全头盔,不得穿拖鞋、高跟鞋或赤脚进入施工现场。高空作业,必须佩带安全带。4 .加强对施工人员的安全教育,遵守施工现场的规章制度,保持良好的施工秩序,做到保质、保量、安全、文明施工。(二)执行的安全规范和安全制度1 .施工现场临时用电安全技术规范JGJ46-882 .安全施工管理工作实施细则3 .建筑安装工人安全技术操作规程4 .施工机械设备安全技术操作规程5 .劳动安全卫生奖罚制度6 .甲方的有关规章制度。7 .建筑施工高处作业安全技术规范JGJ80-918 .建筑施工安全检查标准JGJ5

36、9-999 .焊接与切割安全GB944810 .安全标志GB2894-96(三)生产安全的控制1 .安全管理落实安全生产责任制,建立本工程安全生产管理组织机构。项目经理为安全生产主要责任人,在其领导下分管安全生产的安全主任负责全工程的安全策划组织,指导监控。各施工队长为各施工队的安全生产责任人,在其领导下各专职安全员负责该队施工范围内的安全监督检查。各施工班组长为本班组安全生产责任人,在其领导下各安全员对本班组的施工安全进行监督检查。2 .安全教育:开展周一安全学习活动,总结上周安全生产情况,针对本周生产的实际情况提出本周安全工作的具体要求。每月由项目负责人针对职工的思想状态和安全状态,组织全

37、体施工人员进行安全意识教育。工程开工前由项目经理进行总的安全技术交底,每一分项、分部工程前由施工员和质安员向有关的施工人员进行安全技术交底,具体每一个工作面进行工作时由施工员在进行技术交底的时候同时交待安全要求。项目部日常通过宣传画、安全专栏、安全画报等形式加强对全体员工的安全知识和安全意识的教育。3 .安全检查 施工班组的日检:施工班长和兼职、专职安全员每日施工机具、施工用电等方面进行检查,发现问题及时整改。 项目部的周检:每周由项目负责人和专职安全员对工地进行一次以查思想、查纪律、查违章、查隐患为中心内容的检查。 主管工程的经理每月组织不少于一次的大规模的安全检查。 主管部门根据实际情况进

38、行突击检查、专业检查、季节检查。(四)施工用电安全监控1 .施工用电必须严格执行施工现场临时用电安全技术规范JGJ46-88)和有关安全施工管理工作实施细则。2 .根据现场以及工程的实际情况编制临时用电施工方案,由技术负责人审核,经主管部门批准后实施。3 .项目部配置专职电工一名,负责临时用电的配置、维护和日常检查并做好有关的记录。(五)施工机具的安全监控1 .机具除按施工现场临时用电安全技术规范做好保护接零外,必须在设备负荷线的首端设置漏电保护装置。2 .施工现场必须严格按机械设备保养、维修管理的有关规定做好施工机具的维护、保养,确保其安全。(六)施工现场的防火、防爆1 .施工现场的易燃、易

39、爆品的保管设专门的仓库分类存放,隔离管理,并在适当的位置设置醒目的标志和适用的消防器材。2 .在禁火区内动火必须向甲方办理动火证,在落实好有关的安全措施后严格按动火证所规定的时间和范围内动火。3 .在进行有关的焊接和切割工作时,必须遵守以下的规定:电焊机放置在防水、防潮、防晒且通风良好的位置,焊接把线必须绝缘良好。高处作业时,把线与接地线应与脚手架绝缘、绑牢。氧气瓶、乙快气瓶与明火的距离不得小于10米,氧气瓶与乙快瓶之间的距离不得小于3米。4 .有下列情况不得进行动火作业:焊工必须持证上岗,无证者不得动火;需办理动火证的焊、割作业,未办完动火审批手续前,不得动火;焊工不了解焊、割周围环境的安全

40、状况时,不得动火;未确认焊件内部已无可燃、易爆物前,不得动火;用可燃材料作保温、隔热、隔音的部位,未采取可靠的安全措施之前,不得动火;焊割部位附近有可燃、爆炸物品,在未作清理或未采取有效的安全措施前,不得动火;附近有无明火作业相抵触的工种在作业时,不得动火;与外部相连的管道与设备,在未查清有无险情或明知存在危险而未采取有效措施前,不得动火。5 .各班组在下班前,必须检查工作范围内有无留下火种等隐患。(七)高处作业的安全监控1 .施工现场的楼梯口、预留洞口、临时升降口、通道口,必须设有不低于1.2米的防护栏或进行有效的遮盖,并设置安全标志。2 .高处作业严禁抛接工具、物件,所需物品要放入工袋用结

41、实的吊绳传送。(八)起重吊装安全监控1、吊装前,方案编制人员及施工技术负责人必须向全体施工人员进行技术交底,使全体施工人员熟知、了解吊装方案、安全技术要求、起重吊装信号。2、吊装过程中,作业人员应坚守岗位,听从指挥,发现问题应立即向指挥者报告,无指挥者的命令不得擅自操作。3、安装作业范围内设置警戒线,悬挂明显警示牌,严禁非工作人员入内。4、施工作业严格按照起重吊运指挥信号GB5082-85规定统一联络信号,统一指挥。五、施工工期5.1 进度计划施工工期为60天。总体计划阶段内容周期(天)对应装饰、安装阶段设计阶段合同签定后,初步设计2天应满足装饰、安装设计及施工进度要求,应与装饰设计阶段同步进

42、行施工图设计3天安装准备阶段管线布置、设备加工、订货10天此阶段应在土建装饰、安装同步进行,并在土建装饰、安装前实施完成。安装调试阶段设备安装就位。40天此阶段在装饰、安装完成后实施。调试(单机调试,整体联调)5天施工方案计划表(网络图)序号分项工程名称510152025303540455055601准备工作2管线敷设3设备安装4设备调试5交付验收我公司承诺:我工程一定积极与土建、装饰、安装配合,决不影响整个工程的进度。5.2确保工程进度措施1、在XX镇体育公园舞台设备采购及安装工程施工过程中根据各施工单位的实际施工进度,我公司将对工程的每一环节进行工作量和总体工作量估算,拟定投入施工机械、施

43、工人员和材料投入计划,控制各环节完成日期。2、公司配备一定的后补力量,在施工高峰期间投入,加大重要环节的施工力量,做到不滞后,不影响其他施工单位的进度。3、在各施工单位交叉施工的时期和场所,派专职协调人员进行协商和实地考察,确保紧密配合,避免互滞情况。4、待工程施工基本完成时,我公司派各专业技术人员驻工地进行全面调试,确保按期保质完工。5、根据实际情况,制定工程昼夜交叉施工具体方案。6、建立工程进度协调会制度,对照工程进度计划和当前施工的实际情况,组织技术、质量、安全、材料和各工种负责人参加工程进度协调会,及时解决和处理工程中出现的劳动力,材料、设备和技术、质量问题。7、根据总进度计划的要求,

44、调动充足的劳动力、机械设备,并对其根据实际情况合理安排和及时增减。8、严格按施工流水作业程序,各工种互相协作、互相配合,在确保工程质量、安全的基础上,执行穿插施工。9、工地严格执行统一布置、统一指挥、统一检查、统一协调的四统制度,确保工程有条不紊地按合同工期完成全部工程。并力争提前竣工,交货使用。6、现场施工布置6.1 施工现场平面布置和临时设施、临时道路布置计划6.2 施工现场平面布置和临时设施、临时道路布置根据工程的施工特点,对施工区布置临时设施,如:仓库、现场办公用房等,参见施工现场平面布置图。临时设施主要包括工地办公室、设备/工具房、材料库三部分。其中工地办公室确保为管理人员和施工人员

45、提供一个办公和休息的场所;材料库确保材料堆放合理有序,方便管理与搬运。施工现场一般由土建施工方统一管理,土建施工方对施工现场平面布置的进行规划并绘制施工现场平面布置图,施工方仅提出场地要求。D仓库:需要20m2用于现场急用的线缆及部份设备的临时存放。2)现场办公用房:大约需要15m2左右,配备照明、电话、电脑等办公设备,由业主提供场地我方负责配备设备。3)施工条件:需业主在施工队伍进场前,满足“三通一平”的条件。现场施工用电主要是管槽加工时焊接,其电源由业主负责解决,在每个楼层需有临时用电的接驳点,在临时用电线路上装我方电表搭接;安装施工用水量很少,主要在业主施工用水管取。4m材料仓库项目部办公室设备、工具房5m施工用房平面布置图

展开阅读全文
相关资源
猜你喜欢
相关搜索

当前位置:首页 > 办公文档 > 解决方案

宁ICP备18001539号-1